断油电磁铁(4432W)
(4432W)oil cut-off electro-magnet
 
特点、性能

○双线圈结构,较小的体积产生较大的拉(推)力
○维持线圈的设计保证在恶劣的温度、振动环境下能承受持续负载
○线圈安全装于密封罩中,保证电磁铁在极端恶劣的振动、温度、尘埃和湿气条件下经久耐用
○能适用于恶劣环境下工作的发动机,通过控制油门的拉杆,节流阀,阻气门阀和离合器的工作来保护发动机免过速、低油压和高湿的危害,也可用于其它相关场合。
外置开关控制拉(推)线圈
钢制外壳及安装支架均采用防腐电镀处理
镀铬铁芯工作平衡、可靠、经久耐用

 
主要技术参数
额定电压 24VDC 拉(推)线圈电流 12A
额定拉力 49N/32mm(额定电压、20OC) 维持线圈电流 0.7A
额定维持力 178N(额定电压、20OC) 工作环境温度 -40OC-+125OC
行程 32mm 重量 0.7kg
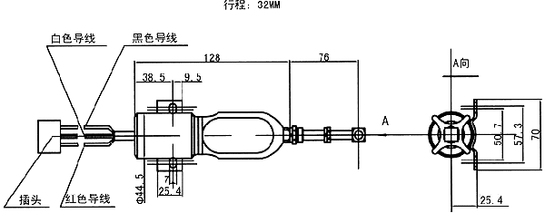
安装、外形有尺寸

线圈接线情况:

①启动线圈的一端与工作线圈的一端并接在一起为负极,引出线为黑色;

②启动线圈的另一端引出线为白色;

③工作线圈的另一端为正极,引出线为红色;

④当黑色导线与白色导线接通时,电磁铁处于启动状态;当黑色导线与红色导线接通时,电磁铁处于工作状态。(红色导线与黑色导线接通时必须断开白色导线)

    
地址:宁波市鄞州石碶工业区36号
电话:0574-88253234 (0)13805868310 (0)13136316992 (0)13957808660 (0)13819809026 传真:0574-88262844  邮编:315153 
网址:http://www.xd-nb.com 信箱:xdnbf@126.com